控制阀技术交流平台
   用户名: 密码: 登录  忘记密码  会员免费注册     加入收藏夹 控制阀-调节阀技术
基础知识  |  技术文章  |  样本下载  |  新闻中心  |  展会中心  |  产品动画  |  经营管理  |  营销知识  |  企业招聘 返回首页
供应信息  |  求购信息  |  代理加盟  |  厂商名录  |  品牌列表  |  产品中心  |  采 购 商  |  客户留言  |  工 程 师 友情链接
上海际海阀门制造有限公司
联系方式
企业简介
产品中心
供求信息
资料下载
在线反馈
产品介绍    

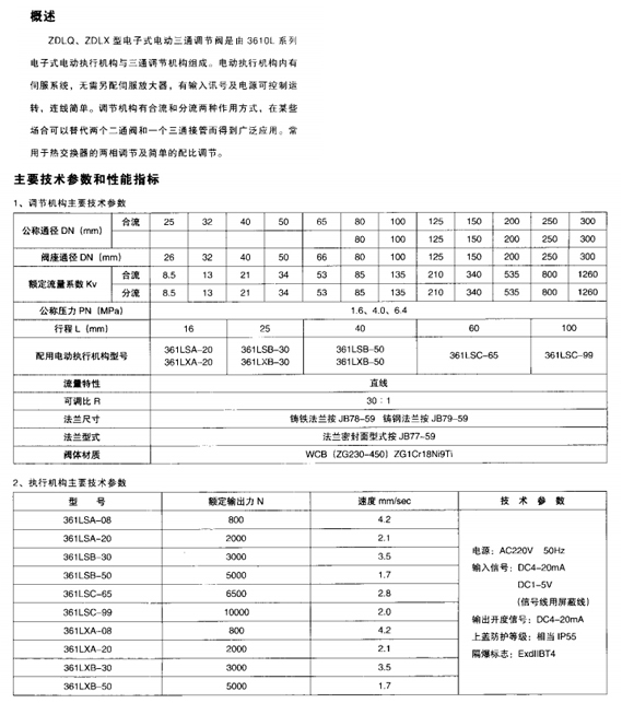
ZDLQ、ZDLX型电子式电动三通调节阀
发布厂商:上海际海阀门制造有限公司
 
详细参数    

以下带有*号项为必填项      
反馈标题: *
您的姓名: *
公司名称:
联系方式: *
电子邮件:
反馈内容:
                  
关于chinacvw.com | 网站地图 | 诚聘英才 | 法律申明 | 隐私声明 | 友情链接 | 联系我们
客服热线:086-21-51028626 E-mail:Web@chinacvw.com 在线客服 :   展会合作:   售前咨询:  控制阀网QQ交流群:控制阀-调节阀技术
泵阀产品采购 泵阀产品推广
控制阀网 版权所有 2023 上海鸿脉信息技术有限公司 沪ICP备08026076号-5
免责声明:本网所展示的信息由企业自行提供,内容的真实性、准确性和合法性由发布企业负责。本公司对此不承担任何保证责任。
               如因内容、版权问题需本网停止转载的,请在本网发表之日起30日内联系,我们将在第一时间停止转载,否则视为放弃相关权利。