● 概述
气动V型球阀是一种直角回转结构,它与阀门定位器配套使用,可实现比例调节;与两位五通电磁阀及控制箱配套使用,可实现开关控制。V型球芯设计成带有特殊形状的V型和U型缺口,它有最高级球型阀截流物性和控制功能,最适用于各种调节场合,具有额定流量系数大,可调比大,密封效果好,调节性能灵敏,体积小,可竖卧安装等优点。适用于控制气体蒸汽和液体等介质。由于阀芯和阀座之间回转时具有很大的剪切作用,尤其是适用于控制纤维性和有微小固体颗粒的悬浊液介质的理想产品。因此本产品可广泛用于石油、化工、造纸、电力冶金、制药等工业部门。
● 特点
1、V型球阀精心设计成精密的直角回转结构:它由V型阀体、气动执行机构、定位器及其它附件组成。V型阀采用双轴承结构,机械稳定性高,启动扭矩小,保证了阀门具有极好的灵敏度和感应速度。球阀长期不需要修理,使用寿命长。
2、具有出色的调节特性:V型阀具有一个近似等百分比的固有流量特性,这对于在可变压降下的总体控制的线性化是最好不过的。
3、 最大流动容积:由于它的流线性外形以及满直角回转控制缘故,使容积的最大值特别高,流通能力特别大,这常常表明可以使用较小的更加经济实用的阀门尺寸。
4、金属阀座的优良密封性:V型阀为金属阀座,并具有较高的密封性能。在流向上,封密度优为10-6x额定流量系数。
超强的剪切能力:V型阀采有金属硬密封结构,阀芯与阀座在回转过程中,V 型缺口与阀座产生一个强大的剪切力能切断纤维:V型调节阀小巧轻盈,安装容易维护方便,简单操作。
● 主要技术参数
V型调节球阀的系列参数
|
公称通径
DN(mm)
|
25
|
32
|
40
|
50
|
65
|
80
|
100
|
125
|
150
|
200
|
250
|
300
|
350
|
400
|
450
|
500
|
600
|
|
额定流量系数(Cv)
|
28
|
50
|
75
|
115
|
180
|
298
|
460
|
760
|
950
|
1700
|
2700
|
3900
|
7100
|
9800
|
12200
|
15380
|
22980
|
|
配管规格
|
Ø6x1(G1/8)
|
Ø8x1.5(G1/4)
|
Ø12x2(G3/8)
|
|
最大转角
|
90º
|
|
气源压力
|
0.5~0.8MPa
|
|
输入信号
|
电信号:4~20mA dc 220VAC~24VDC
|
|
公称压力
|
1.6、 2.5、 6.4 Mpa
|
|
工作温度
|
-40~180 ℃ -40~250℃
|
|
基本误差
|
±1.1%
|
|
回差
|
<1.1%
|
|
死区
|
<0.6%
|
|
泄漏量
|
执行GB/T4213标准
|
1、流量特性:

2、主要零件材料
阀芯:304、316和316L(不锈钢)
阀体:304、316和316L
密封阀座:(硬密封)304、316和(软密封)聚四乙烯
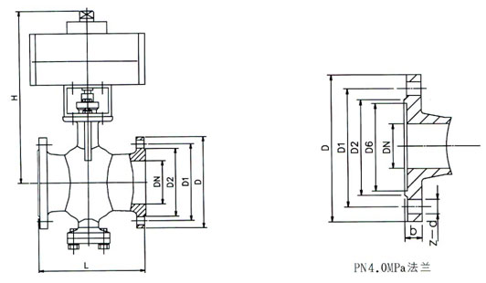
3、V63577外型及连接尺寸(对夹式)
|
代号
DN
|
B
|
A
|
F
|
H
|
G
重量(Kg)
|
|
25
|
64
|
50
|
140
|
320
|
11
|
|
32
|
78
|
62
|
164
|
360
|
12
|
|
40
|
82
|
62
|
190
|
400
|
13
|
|
50
|
100
|
75
|
190
|
450
|
14
|
|
65
|
120
|
80
|
210
|
450
|
16
|
|
80
|
131
|
100
|
210
|
465
|
18
|
|
100
|
158
|
115
|
247
|
500
|
19
|
|
125
|
180
|
130
|
276
|
550
|
23
|
|
150
|
216
|
160
|
308
|
610
|
35
|
|
200
|
268
|
200
|
378
|
710
|
57
|
|
250
|
326
|
240
|
524
|
850
|
95
|
|
300
|
370
|
300
|
648
|
950
|
120
|
|
350
|
430
|
380
|
648
|
1050
|
180
|
V63547外型及连接尺寸(法兰式)

|
公称
压力
MPa
|
公称
通径
mm
|
尺寸(mm)
|
|
L
|
法兰连接
|
H
|
|
D
|
D1
|
D2
|
D6
|
b
|
Z—d
|
|
1.6
|
25
|
102
|
115
|
85
|
65
|
—
|
14/16
|
4-14
|
233
|
|
40
|
114
|
145/150
|
110
|
85/84
|
—
|
16/18
|
4-18
|
280
|
|
50
|
124
|
160/165
|
125
|
100/99
|
—
|
16/20
|
4-18
|
362
|
|
65
|
145
|
180/185
|
145
|
120/118
|
—
|
18/20
|
4-18
|
377
|
|
80
|
165
|
195/200
|
160
|
135/132
|
—
|
20
|
4-18
|
410
|
|
100
|
194
|
215/220
|
180
|
155/156
|
—
|
20/22
|
8-18
|
423
|
|
125
|
210
|
245/250
|
210
|
185/184
|
—
|
22
|
8-18
|
436
|
|
150
|
229
|
280/285
|
240
|
210/211
|
—
|
24
|
8-18
|
653
|
|
200
|
243
|
335/340
|
295
|
265/266
|
—
|
26/24
|
8-23/8-22
|
703
|
|
250
|
297
|
405
|
355
|
320/319
|
—
|
30/26
|
12-23/12-22
|
787
|
|
300
|
338
|
460
|
410
|
375/370
|
—
|
30/28
|
12-25/12-26
|
827
|
|
2.5
|
25
|
102
|
115
|
85
|
65
|
—
|
16
|
4-14
|
233
|
|
40
|
114
|
145/150
|
110
|
85/84
|
—
|
18
|
4-18
|
280
|
|
50
|
124
|
160/165
|
125
|
100/99
|
—
|
20
|
4-18
|
362
|
|
65
|
145
|
180/185
|
145
|
120/118
|
—
|
22
|
8-18
|
377
|
|
80
|
165
|
195/200
|
160
|
135/132
|
—
|
22/24
|
8-18
|
410
|
|
100
|
194
|
230/235
|
190
|
160/156
|
—
|
24
|
8-23/8-22
|
423
|
|
125
|
210
|
270
|
220
|
188/184
|
—
|
28/26
|
8-25/8-26
|
436
|
|
150
|
229
|
300
|
250
|
218/211
|
—
|
30/28
|
8-25/8-26
|
653
|
|
200
|
243
|
360
|
310
|
278/274
|
—
|
34/30
|
12-25/12-26
|
703
|
|
250
|
297
|
425
|
370
|
332/330
|
—
|
36/32
|
12-30
|
787
|
|