三位式气动执行器是一种特殊规格的执行机构,提供了0°,45°,90°或0°,90°,180°的三位式操作方式。中间位置是依靠两个辅助活塞的移动产生的机械制动来实现的。中间位置是可调的。如90°行程的执行器能提供20°,30°,50°,70°等的中间位置。其工作原理中下:
Three position actuator provide an operation of 0°, 45°, 90°or 0° , 90°, 180°,The midway position is achieved by a mechanical stop of movement on the 2 auxiliary pistons. This midway stop positions adjustable. Example: 90°actuator can provide 20°, 30°, 40°, 50° , 70°etc. Following is the principle of operation:
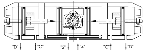
1,全关位置。如图1所示,全闭位置是在气源进入4口, 2口排出空气后实现的。
1, Fully Closed Position
From chart 1 we can see that this position is obtained when air is supplied to port 4 and port 2 is in the state of exhaust air.
2,全开位置。如图2所示,全开位置是在气源同时进入2口和C口,4口和D口排出空气后实现的。
2, Fully Open Position
From chart 2 we can see that this position is obtained when air is supplied to port 2 and port C, meantime, port 4 and port D are in the state of exhaust air. 
3,中间位置。如图3所示,中间位置是在气源分别进入2口和D口,4口和C口排出空气后实现的。在实现中间位置的过程中,气源供到D口,迫使辅助活塞向中心移动,推杆作为机械限位使内部活塞在设定的中间位置停止。
3, Midway Position
From chart 2 we can see that this position is obtained when air is supplied to port 2 and port D, meantime, port 4 and port C are in the state of exhaust air. In fact that the midway position is achieved by a mechanical stop of movement on the two auxiliary pistons.  |