控制阀技术交流平台
   用户名: 密码: 登录  忘记密码  会员免费注册     加入收藏夹 控制阀-调节阀技术
基础知识  |  技术文章  |  样本下载  |  新闻中心  |  展会中心  |  产品动画  |  经营管理  |  营销知识  |  企业招聘 返回首页
供应信息  |  求购信息  |  代理加盟  |  厂商名录  |  品牌列表  |  产品中心  |  采 购 商  |  客户留言  |  工 程 师 友情链接
浙江永嘉县科士达阀门制造有限公司
YONGJIA KSTAR VALVE MANUFACTURING CO.,LTD.
联系方式
企业简介
产品中心
供求信息
资料下载
在线反馈
产品介绍    

AX742X安全泄压/持压阀
发布厂商:永嘉县科士达阀门制造有限公司
 
详细参数    

AX742X安全泄压/持压阀用途:
安装在高层建筑、消防给水系统以及其它给水系统的管道上,当给水管路中压力超过泄压阀设定压力时,泄压阀自动开启快速泄压,保护管线的安全,也可作持压阀用,保障主阀上游的供水压力。

AX742X安全泄压/持压阀特点:
1、能准确保持不变的安全设定压力,一旦超压,泄压阀迅速打开,及时泄压。
2、关闭平稳可靠,消除压力余波。

AX742X安全泄压/持压阀主要技术参数:
1、公称压力:1.0MPa、1.6MPa、2.5MPa
2、调压范围:0.05~0.9MPa、0.12~1.4MPa、0.12~2.4MPa
3、适用介质:水
4、介质温度:0~85℃

AX742X安全泄压/持压阀安装示意图:
1、水池
2、弹性座封闸阀
3、水泵
4、多功能水泵控制阀
5、弹性座封闸阀
6、弹性座封闸阀
7、过滤器
8、泄压阀

 
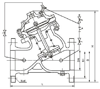
AX742X安全泄压/持压阀主要结构尺寸:

DN

L

H

D

D1

n-d

1.0MPa

1.6MPa

2.5MPa

1.0MPa

1.6MPa

2.5MPa

1.0MPa

1.6MPa

2.5MPa

50

205

255

165

165

165

125

125

125

4-18

4-18

4-18

65

216

290

185

185

185

145

145

145

4-18

4-18

8-18

80

250

326

200

200

235

160

160

160

8-18

8-18

8-18

100

320

380

220

220

270

180

180

190

8-18

8-18

8-22

125

365

448

250

250

300

210

210

220

8-18

8-18

8-26

150

415

495

285

285

360

240

240

250

8-22

8-22

8-26

200

500

625

340

340

425

295

295

310

8-22

12-22

12-26

250

605

744

395

405

485

350

355

370

12-22

12-26

12-30

300

698

879

445

460

555

400

410

430

12-22

12-26

16-30

350

787

909

505

520

620

460

470

490

16-22

16-26

16-33

400

914

1130

565

580

670

515

525

550

16-26

16-30

16-36

450

978

1160

615

640

730

565

585

600

20-26

16-30

20-36

500

978

1198

670

715

 

620

650

660

20-26

20-33

20-36

600

1200

1600

780

840

 

725

770

 

20-30

20-36

 

700

1450

1750

895

910

 

840

840

 

24-30

24-36

 

800

1560

1900

1015

1025

 

950

950

 

24-33

24-39

 

900

1800

2100

1115

 

 

1050

 

 

28-33

 

 

1000

2000

2400

1230

 

 

1160

 

 

28-36

 

 

以下带有*号项为必填项      
反馈标题: *
您的姓名: *
公司名称:
联系方式: *
电子邮件:
反馈内容:
                  
关于chinacvw.com | 网站地图 | 诚聘英才 | 法律申明 | 隐私声明 | 友情链接 | 联系我们
客服热线:086-21-51028626 E-mail:Web@chinacvw.com 在线客服 :   展会合作:   售前咨询:  控制阀网QQ交流群:控制阀-调节阀技术
泵阀产品采购 泵阀产品推广
控制阀网 版权所有 2023 上海鸿脉信息技术有限公司 沪ICP备08026076号-5
免责声明:本网所展示的信息由企业自行提供,内容的真实性、准确性和合法性由发布企业负责。本公司对此不承担任何保证责任。
               如因内容、版权问题需本网停止转载的,请在本网发表之日起30日内联系,我们将在第一时间停止转载,否则视为放弃相关权利。