一、 产品概述
DY6100系列补偿式偏心半球阀在以引进德国先进技术为基础,经消化、提高的高科技更新换代产品,为提高我国工业管理装备水平提供了新型优异产品。本系列产品采用新型纳米陶瓷材料制作阀门的密封部件和易损部件,提高了阀门产品的耐磨性、防腐性及密封性,大大延长了阀门的使用寿命。纳米陶瓷密封阀门其耐磨损,密封性好,能最大限度地减少泄漏,对环境保护将起到积极的推进作用。产品广泛应用于石油、化工、造纸、冶金、污水处理等工业行业中液体、半流体、浆状液体、空气、烟气、煤气、可燃气体、固物粉料、晶粒料及含杂质多的两相流体和易沉淀、易结垢、结晶等特种介质的切断、调节及输送控制。是本公司获得国家发明专利产品,专利号:2009200754893。
二、产品特点
设计独特,自动补偿性能强
密封面耐磨、耐冲刷
剪切自洁能力强,密封性能优越
启闭迅速轻便、压损小
三、主要的参数性能
| 公称通径 |
32~1600 |
32~1400 |
32~1000 |
32~600 |
32~400 |
32~300 |
32~200 |
| 公称压力(Mpa) |
0.6 |
1.0 |
1.6 |
2.5 |
4.0 |
6.4 |
10.0 |
| 公称压力(Class) |
|
|
150 |
|
300 |
|
600 |
| 公称压力K级 |
|
|
10 |
|
20 |
|
40 |
| 壳体试压Mpa |
0.9 |
1.5 |
2.4 |
3.8 |
6 |
9.6 |
15 |
| (Class.K级) |
|
|
3 |
|
7.8 |
|
15.4 |
| 密封试压Mpa |
0.66 |
1.1 |
1.8 |
2.8 |
4.4 |
7.04 |
11.0 |
| (Class.K级) |
|
|
2.2 |
|
5.6 |
5.6 |
11.2 |
| 气密试压Mpa |
0.5~0.7 |
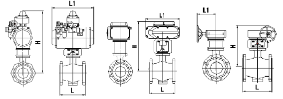
四、外形尺寸图

| 公称直径 |
执行器(参考) |
公称压力(Mpa) |
公称压力(Class) |
| 0.6 |
1.0 |
1.6 |
2.5 |
4.0 |
6.4 |
10.0 |
150(2.0) |
300(5.0) |
| mm/in |
H |
L |
L1 |
H |
L |
L1 |
H |
L |
L1 |
H |
L |
L1 |
H |
L |
L1 |
H |
L |
L1 |
H |
L |
L1 |
H |
L |
L1 |
H |
L |
L1 |
| 32─1¼ |
气动GTD |
503 |
|
164 |
503 |
|
164 |
503 |
|
164 |
521 |
|
190 |
531 |
|
210 |
567 |
|
247 |
682 |
|
276 |
583 |
|
190 |
|
|
|
| 电动DCL |
356 |
|
160 |
356 |
|
160 |
356 |
|
160 |
356 |
|
160 |
366 |
|
196 |
386 |
|
196 |
386 |
|
196 |
446 |
|
196 |
|
|
|
| 蜗轮型 |
330 |
180 |
50 |
330 |
180 |
50 |
330 |
180 |
50 |
330 |
180 |
50 |
330 |
180 |
50 |
350 |
229 |
55 |
350 |
229 |
55 |
410 |
180 |
192 |
|
|
|
| 40─1½ |
气动GTD |
518 |
|
190 |
518 |
|
190 |
518 |
|
190 |
528 |
|
210 |
542 |
|
247 |
577 |
|
276 |
588 |
|
308 |
603 |
|
210 |
634 |
|
276 |
| 电动DCL |
371 |
|
160 |
371 |
|
160 |
371 |
|
160 |
381 |
|
196 |
381 |
|
196 |
401 |
|
196 |
386 |
|
196 |
466 |
|
196 |
466 |
|
196 |
| 蜗轮型 |
345 |
200 |
50 |
345 |
200 |
50 |
345 |
200 |
50 |
345 |
200 |
50 |
345 |
200 |
50 |
365 |
241 |
55 |
365 |
241 |
55 |
430 |
200 |
192 |
430 |
200 |
192 |
| 50─2 |
气动GTD |
533 |
|
210 |
533 |
|
210 |
533 |
|
210 |
549 |
|
247 |
564 |
|
276 |
595 |
|
308 |
616 |
|
348 |
618 |
|
247 |
644 |
|
308 |
| 电动DCL |
296 |
|
196 |
396 |
|
196 |
396 |
|
196 |
396 |
|
196 |
396 |
|
196 |
396 |
|
196 |
396 |
|
196 |
481 |
|
196 |
481 |
|
196 |
| 蜗轮型 |
360 |
178 |
50 |
360 |
178 |
50 |
360 |
178 |
50 |
360 |
178 |
50 |
360 |
178 |
50 |
380 |
292 |
55 |
380 |
292 |
55 |
445 |
178 |
192 |
445 |
250 |
192 |
| 65─2½ |
气动GTD |
543 |
|
247 |
543 |
|
247 |
543 |
|
247 |
558 |
|
276 |
569 |
|
308 |
605 |
|
348 |
622 |
|
378 |
633 |
|
276 |
665 |
|
348 |
| 电动DCL |
406 |
|
196 |
406 |
|
196 |
406 |
|
196 |
406 |
|
196 |
406 |
|
196 |
445 |
|
255 |
445 |
|
255 |
496 |
|
196 |
515 |
|
255 |
| 蜗轮型 |
370 |
190 |
50 |
370 |
190 |
50 |
370 |
190 |
50 |
370 |
190 |
50 |
370 |
190 |
50 |
390 |
330 |
55 |
390 |
330 |
55 |
460 |
190 |
192 |
460 |
290 |
192 |
| 80─3 |
气动GTD |
563 |
|
276 |
563 |
|
276 |
563 |
|
276 |
574 |
|
308 |
595 |
|
348 |
620 |
|
378 |
653 |
|
432 |
673 |
|
308 |
711 |
|
348 |
| 电动DCL |
445 |
|
255 |
445 |
|
255 |
445 |
|
255 |
445 |
|
255 |
445 |
|
255 |
485 |
|
255 |
485 |
|
255 |
555 |
|
255 |
555 |
|
255 |
| 蜗轮型 |
390 |
203 |
100 |
390 |
203 |
100 |
390 |
203 |
100 |
390 |
203 |
100 |
390 |
203 |
100 |
430 |
356 |
105 |
430 |
356 |
105 |
500 |
203 |
227 |
500 |
310 |
227 |
| 100─4 |
气动GTD |
578 |
|
308 |
578 |
|
308 |
578 |
|
308 |
599 |
|
348 |
616 |
|
378 |
652 |
|
432 |
673 |
|
524 |
693 |
|
348 |
744 |
|
432 |
| 电动DCL |
460 |
|
255 |
460 |
|
255 |
460 |
|
255 |
460 |
|
255 |
460 |
|
255 |
500 |
|
255 |
500 |
|
255 |
575 |
|
255 |
575 |
|
255 |
| 蜗轮型 |
405 |
229 |
100 |
405 |
229 |
100 |
405 |
229 |
100 |
405 |
229 |
100 |
405 |
229 |
100 |
445 |
432 |
105 |
445 |
432 |
105 |
520 |
229 |
227 |
520 |
350 |
227 |
| 125─5 |
气动GTD |
593 |
|
348 |
593 |
|
348 |
593 |
|
348 |
610 |
|
378 |
642 |
|
432 |
673 |
|
524 |
723 |
|
648 |
713 |
|
378 |
770 |
|
524 |
| 电动DCL |
475 |
|
255 |
475 |
|
255 |
475 |
|
255 |
475 |
|
255 |
475 |
|
255 |
535 |
|
255 |
535 |
|
255 |
595 |
|
255 |
595 |
|
255 |
| 蜗轮型 |
420 |
254 |
150 |
420 |
254 |
150 |
420 |
254 |
150 |
420 |
254 |
150 |
420 |
254 |
150 |
480 |
508 |
160 |
480 |
508 |
160 |
540 |
254 |
279 |
540 |
380 |
279 |
| 150─6 |
气动GTD |
613 |
|
378 |
613 |
|
378 |
613 |
|
378 |
647 |
|
432 |
670 |
|
524 |
740 |
|
648 |
788 |
|
715 |
734 |
|
432 |
804 |
|
648 |
| 电动DCL |
495 |
|
255 |
495 |
|
255 |
495 |
|
255 |
500 |
|
310 |
500 |
|
310 |
580 |
|
310 |
580 |
|
310 |
625 |
|
310 |
625 |
|
310 |
| 蜗轮型 |
440 |
267 |
150 |
440 |
267 |
150 |
440 |
267 |
150 |
440 |
267 |
150 |
440 |
267 |
150 |
520 |
559 |
160 |
500 |
559 |
160 |
565 |
267 |
279 |
565 |
405 |
279 |
| 200─8 |
气动GTD |
633 |
|
432 |
633 |
|
432 |
633 |
|
432 |
656 |
|
524 |
703 |
|
648 |
791 |
|
715 |
849 |
|
795 |
793 |
|
524 |
888 |
|
715 |
| 电动DCL |
520 |
|
310 |
520 |
|
310 |
520 |
|
310 |
520 |
|
310 |
520 |
|
310 |
650 |
|
310 |
650 |
|
310 |
680 |
|
310 |
700 |
|
310 |
| 蜗轮型 |
460 |
292 |
220 |
460 |
292 |
220 |
460 |
292 |
220 |
460 |
292 |
220 |
460 |
292 |
220 |
570 |
660 |
230 |
570 |
660 |
230 |
620 |
292 |
340 |
620 |
420 |
340 |
| 250─10 |
气动GTD |
663 |
|
524 |
663 |
|
524 |
663 |
|
524 |
710 |
|
648 |
758 |
|
715 |
816 |
|
795 |
|
|
|
828 |
|
648 |
934 |
|
795 |
| 电动DCL |
570 |
|
310 |
570 |
|
310 |
570 |
|
310 |
|
|
|
|
|
|
|
|
|
|
|
|
|
|
|
|
|
|
| 电动Q |
|
|
|
|
|
|
|
|
|
490 |
|
662 |
490 |
|
662
|
620 |
|
662 |
|
|
|
655 |
|
662 |
655 |
|
662 |
| 蜗轮型 |
490 |
394 |
220 |
490 |
394 |
220 |
490 |
394 |
220 |
490 |
394 |
220 |
490 |
533 |
220 |
620 |
787 |
230 |
|
|
|
655 |
533 |
340 |
655 |
568 |
340 |
| 300─12 |
气动GTD |
713 |
|
648 |
713 |
|
648 |
713 |
|
648 |
761 |
|
715 |
803 |
|
795 |
|
|
|
|
|
|
853 |
|
715 |
|
|
|
| 气动HAW |
|
|
|
|
|
|
|
|
|
|
|
|
|
|
|
803 |
|
1380 |
|
|
|
|
|
|
853 |
|
1380 |
| 电动Q |
540 |
|
662 |
540 |
|
662 |
540 |
|
662 |
540 |
|
662 |
540 |
|
662 |
730 |
|
662 |
|
|
|
680 |
|
662 |
680 |
|
662 |
| 蜗轮型 |
540 |
419 |
400 |
540 |
419 |
400 |
540 |
419 |
400 |
540 |
419 |
400 |
540 |
610 |
400 |
730 |
838 |
420 |
|
|
|
680 |
610 |
435 |
680 |
648 |
435 |
| 350─14 |
气动GTD |
783 |
|
715 |
783 |
|
715 |
783 |
|
715 |
841 |
|
795 |
|
|
|
|
|
|
|
|
|
903 |
|
795 |
|
|
|
| 气动HAW |
|
|
|
|
|
|
|
|
|
|
|
|
783 |
|
1380 |
|
|
|
|
|
|
|
|
|
903 |
|
1860 |
| 电动DQ |
|
|
|
|
|
|
|
|
|
610 |
|
755 |
610 |
|
755 |
|
|
|
|
|
|
730 |
|
755 |
730 |
|
755 |
| 电动Q |
610 |
|
662 |
610 |
|
662 |
610 |
|
662 |
|
|
|
|
|
|
|
|
|
|
|
|
|
|
|
|
|
|
| 蜗轮型 |
610 |
550 |
400 |
610 |
550 |
400 |
610 |
550 |
400 |
610 |
550 |
400 |
610 |
686 |
400 |
|
|
|
|
|
|
730 |
686 |
435 |
730 |
760 |
435 |
| 400─16 |
气动GTD |
858 |
|
795 |
858 |
|
795 |
858 |
|
795 |
|
|
|
|
|
|
|
|
|
|
|
|
|
|
|
|
|
|
| 气动HAW |
|
|
|
|
|
|
|
|
|
858 |
|
1380 |
858 |
|
1860 |
|
|
|
|
|
|
953 |
|
1380 |
953 |
|
1860 |
| 电动DQ |
685 |
|
755 |
685 |
|
755 |
685 |
|
755 |
685 |
|
755 |
685 |
|
915 |
|
|
|
|
|
|
780 |
|
755 |
780 |
|
915 |
| 蜗轮型 |
685 |
600 |
500 |
685 |
600 |
500 |
685 |
600 |
500 |
685 |
600 |
500 |
685 |
762 |
500 |
|
|
|
|
|
|
780 |
700 |
580 |
780 |
838 |
580 |
| 450─18 |
气动HAW |
928 |
|
1380 |
928 |
|
1380 |
928 |
|
1380 |
928 |
|
1860 |
|
|
|
|
|
|
|
|
|
993 |
|
1860 |
|
|
|
| 电动DQ |
755 |
|
755 |
755 |
|
755 |
755 |
|
755 |
755 |
|
915 |
|
|
|
|
|
|
|
|
|
820 |
|
915 |
|
|
|
| 蜗轮型 |
755 |
660 |
500 |
755 |
660 |
500 |
755 |
660 |
500 |
755 |
660 |
500 |
|
|
|
|
|
|
|
|
|
820 |
730 |
580 |
|
|
|
| 500─20 |
气动HAW |
1018 |
|
1860 |
1018 |
|
1860 |
1018 |
|
1860 |
1018 |
|
1860 |
|
|
|
|
|
|
|
|
|
1073 |
|
1860 |
|
|
|
| 电动DQ |
845 |
|
946 |
845 |
|
946 |
845 |
|
946 |
845 |
|
946 |
|
|
|
|
|
|
|
|
|
900 |
|
946 |
|
|
|
| 蜗轮型 |
845 |
711 |
700 |
845 |
711 |
700 |
845 |
711 |
700 |
845 |
711 |
700 |
|
|
|
|
|
|
|
|
|
900 |
711 |
690 |
|
|
|
| 600─24 |
气动HAW |
1073 |
|
1860 |
1073 |
|
1860 |
1073 |
|
1860 |
1073 |
|
1860 |
|
|
|
|
|
|
|
|
|
1113 |
|
1860 |
|
|
|
| 电动DQ |
900 |
|
1210 |
900 |
|
1210 |
900 |
|
1210 |
900 |
|
1210 |
|
|
|
|
|
|
|
|
|
940 |
|
1210 |
|
|
|
| 蜗轮型 |
900 |
1067 |
700 |
900 |
1067 |
700 |
900 |
1067 |
700 |
900 |
1067 |
700 |
|
|
|
|
|
|
|
|
|
940 |
1067 |
690 |
|
|
|
| 700─28 |
气动HAW |
1273 |
|
1860 |
1273 |
|
1860 |
1273 |
|
1860 |
|
|
|
|
|
|
|
|
|
|
|
|
|
|
|
|
|
|
| 电动DQ |
1100 |
|
1210 |
1100 |
|
1210 |
1100 |
|
1210 |
|
|
|
|
|
|
|
|
|
|
|
|
|
|
|
|
|
|
| 蜗轮型 |
1100 |
1087 |
900 |
1100 |
1087 |
900 |
1100 |
1087 |
900 |
|
|
|
|
|
|
|
|
|
|
|
|
|
|
|
|
|
|
| 800─32 |
气动HAW |
1343 |
|
1860 |
1343 |
|
1860 |
1343 |
|
1860 |
|
|
|
|
|
|
|
|
|
|
|
|
|
|
|
|
|
|
| 电动DQ |
1170 |
|
1210 |
1170 |
|
1210 |
1170 |
|
1210 |
|
|
|
|
|
|
|
|
|
|
|
|
|
|
|
|
|
|
| 蜗轮型 |
1170 |
1150 |
900 |
1170 |
1150 |
900 |
1170 |
1150 |
900 |
|
|
|
|
|
|
|
|
|
|
|
|
|
|
|
|
|
|
| 900─36 |
气动HAW |
1450 |
|
2350 |
1450 |
|
2350 |
1450 |
|
2350 |
|
|
|
|
|
|
|
|
|
|
|
|
|
|
|
|
|
|
| 电动DQ |
1280 |
|
1415 |
1280 |
|
1415 |
1280 |
|
1415 |
|
|
|
|
|
|
|
|
|
|
|
|
|
|
|
|
|
|
| 蜗轮型 |
1280 |
1283 |
1350 |
1280 |
1283 |
1350 |
1280 |
1283 |
1350 |
|
|
|
|
|
|
|
|
|
|
|
|
|
|
|
|
|
|
| 1000─40 |
气动HAW |
1523 |
|
2350 |
1523 |
|
2350 |
1523 |
|
2350 |
|
|
|
|
|
|
|
|
|
|
|
|
|
|
|
|
|
| 电动DQ |
1350 |
|
1415 |
1350 |
|
1415 |
1350 |
|
1415 |
|
|
|
|
|
|
|
|
|
|
|
|
|
|
|
|
|
|
| 蜗轮型 |
1350 |
1460 |
1350 |
1350 |
1460 |
1350 |
1350 |
1460 |
1350 |
|
|
|
|
|
|
|
|
|
|
|
|
|
|
|
|
|
|
| 1200 ─ 44 |
气动HAW |
1623 |
|
2350 |
1763 |
|
2350 |
|
|
|
|
|
|
|
|
|
|
|
|
|
|
|
|
|
|
|
|
|
| 电动DQ |
1350 |
|
1415 |
1350 |
|
1415 |
|
|
|
|
|
|
|
|
|
|
|
|
|
|
|
|
|
|
|
|
|
| 蜗轮型 |
1450 |
1650 |
1350 |
1590 |
1650 |
1350 |
|
|
|
|
|
|
|
|
|
|
|
|
|
|
|
|
|
|
|
|
|
| 1400─48 |
气动HAW |
1748 |
|
2350 |
1953 |
|
2350 |
|
|
|
|
|
|
|
|
|
|
|
|
|
|
|
|
|
|
|
|
|
| 电动DQ |
1575 |
|
1415 |
1575 |
|
1415 |
|
|
|
|
|
|
|
|
|
|
|
|
|
|
|
|
|
|
|
|
|
| 蜗轮型 |
1575 |
1800 |
1450 |
1780 |
1800 |
1450 |
|
|
|
|
|
|
|
|
|
|
|
|
|
|
|
|
|
|
|
|
|
| 1600─52 |
气动HAW |
1823 |
|
2350 |
|
|
|
|
|
|
|
|
|
|
|
|
|
|
|
|
|
|
|
|
|
|
|
|
| 电动DQ |
1650 |
|
1415 |
|
|
|
|
|
|
|
|
|
|
|
|
|
|
|
|
|
|
|
|
|
|
|
|
| 蜗轮型 |
1650 |
1850 |
1450 |
|
|
|
|
|
|
|
|
|
|
|
|
|
|
|
|
|
|
|
|
|
|
|
|
|